Panoramica del prodotto
T standard GOSTè ampiamente utilizzato in applicazioni che richiedono una deviazione o una fusione affidabile del flusso. Disponibili nelle configurazioni uguali, riducenti, a 45 gradi e di tipo Y-, sono adatti per settori quali petrolio e gas, lavorazione chimica, produzione di energia, costruzione navale e ingegneria municipale. Il design garantisce prestazioni costanti in condizioni di alta pressione, temperature elevate e condizioni corrosive.
Parametri del prodotto
|
Parametro |
Dettagli |
|
Norma di esecuzione |
GOST17376 |
|
Tipi di prodotto |
T uguale, T riduttore, Croce uguale, Croce riduttore, T a 45 gradi, T tipo Y- |
|
Gamma di dimensioni |
21,3 mm - 1016 mm |
|
Intervallo di spessore della parete |
2 mm - 60 mm |
|
Tipo di connessione |
Saldatura di testa (BW) |
|
Categorie di materiali |
Acciaio al carbonio, acciaio inossidabile, acciaio legato |
|
Trattamento superficiale |
Superficie nuda, olio antiruggine, vernice anti-corrosione, zincatura-a caldo |
|
Metodo di imballaggio |
Cassa di legno, pallet di legno |
|
Capacità di fornitura |
1000 ton/mese | |
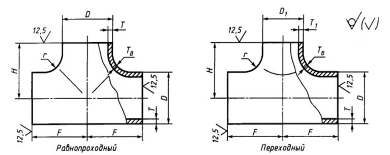
Dimensioni del prodotto
GOST 17376-2001 TEE
Dimensioni per tee

|
DN |
D |
T |
D1 |
T1 |
F |
H |
Macca (kg) |
|
100 |
114.3 |
3.6 |
88.9 |
3.2 |
105 |
98 |
4.5 |
|
6.3 |
5.6 |
7.8 |
|||||
|
8.8 |
8 |
10 |
|||||
|
3.6 |
114.3 |
3.6 |
105 |
4.5 |
|||
|
6.3 |
6.3 |
7.8 |
|||||
|
8.8 |
8.8 |
10 |
|||||
|
125 |
139.7 |
4 |
76.1 |
2.9 |
124 |
108 |
3.4 |
|
6.3 |
5 |
5.3 |
|||||
|
10 |
7.1 |
16 |
|||||
|
4 |
88.9 |
3.2 |
111 |
3.4 |
|||
|
6.3 |
5.6 |
5.3 |
|||||
|
10 |
8 |
16 |
|||||
|
4 |
114.3 |
3.6 |
117 |
3.4 |
|||
|
6.3 |
6.3 |
5.3 |
|||||
|
10 |
8.8 |
16 |
|||||
|
4 |
139.7 |
4 |
124 |
3.4 |
|||
|
6.3 |
6.3 |
5.3 |
|||||
|
10 |
10 |
16.00 |
|||||
|
150 |
168.3 |
4.5 |
88.9 |
3.2 |
143 |
124 |
9.4 |
|
7.1 |
5.6 |
16 |
|||||
|
11 |
8 |
24 |
|||||
|
4.5 |
114.3 |
3.6 |
130 |
9.4 |
|||
|
7.1 |
6.3 |
16 |
|||||
|
11 |
8.8 |
24 |
|||||
|
4.5 |
139.7 |
4 |
137 |
9.4 |
|||
|
7.1 |
6.3 |
16 |
|||||
|
11 |
10 |
24 |
|||||
|
4.5 |
168.3 |
4.5 |
143 |
9.4 |
|||
|
7.1 |
7.1 |
16 |
|||||
|
11 |
11 |
24 |
|||||
|
200 |
219.1 |
6.3 |
114.3 |
3.6 |
178 |
156 |
16 |
|
8 |
6.3 |
20 |
|||||
|
12.5 |
8.8 |
43 |
|||||
|
6.3 |
139.7 |
4 |
162 |
16 |
|||
|
8 |
6.3 |
20 |
|||||
|
12.5 |
10 |
43 |
|||||
|
6.3 |
168.3 |
4.5 |
168 |
16 |
|||
|
8 |
7.1 |
20 |
|||||
|
12.5 |
11 |
43 |
|||||
|
6.3 |
219.1 |
6.3 |
178 |
16 |
|||
|
8 |
8 |
20 |
|||||
|
12.5 |
12.5 |
43 |
|||||
|
250 |
273 |
6.3 |
139.7 |
4.3 |
216 |
191 |
33 |
|
10 |
6.3 |
52 |
|||||
|
6.3 |
168.3 |
4.5 |
194 |
33 |
|||
|
10 |
7.1 |
52 |
|||||
|
6.3 |
219.1 |
6.3 |
203 |
33 |
|||
|
10 |
7.1 |
52 |
|||||
|
6.3 |
273 |
6.3 |
216 |
33 |
|||
|
10 |
10 |
52 |
|||||
|
300 |
323.9 |
7.1 |
168.3 |
4.5 |
254 |
219 |
47 |
|
10 |
7.1 |
66 |
|||||
|
7.1 |
219 |
6.3 |
229 |
47 |
|||
|
10 |
8 |
66 |
|||||
|
7.1 |
273 |
6.3 |
241 |
47 |
|||
|
10 |
8 |
66 |
|||||
|
7.1 |
323.9 |
7.1 |
254 |
47 |
|||
|
10 |
10 |
66 |
Nota:La gamma dimensionale completa comprende dimensioni da DN 100 a DN 300, con combinazioni di diametri di derivazione e spessori di parete. Per i dati completi fare riferimento alla documentazione tecnica.



Vantaggi del prodotto
· Conformità con GOST 17376:Tutti i raccordi a T sono realizzati secondo rigorosi standard dimensionali e meccanici, garantendo affidabilità in applicazioni impegnative come vapore ad alta-pressione e mezzi corrosivi.
· Versatilità dei materiali:Disponibili in acciaio al carbonio, acciaio inossidabile e leghe tra cui 12Х18Н10Т (inossidabile) e WB36, consentendo la selezione in base ai requisiti di temperatura, pressione e corrosione.
Principali applicazioni
· Industria del petrolio e del gas:Utilizzato nelle diramazioni delle condutture, nelle stazioni di compressione e nei sistemi di misurazione in cui l'integrità della pressione è fondamentale.
· Produzione chimica ed energetica: T standard GOSTsono adatti per tubazioni di reattori, scambiatori di calore e sistemi di caldaie che richiedono resistenza allo stress termico e chimico.
· Ingegneria navale:Applicato in sistemi di zavorra, linee di carburante e circuiti antincendio dove la resistenza all'acqua di mare è essenziale.
Domande frequenti
Etichetta sexy: maglietta standard gost, produttori di maglietta standard gost in Cina, fornitori, fabbrica
