Panoramica del prodotto
Il raccordo a T ASME adotta una connessione con saldatura di testa (BW), con estremità smussate lavorate secondo gli standard ASME B16.9 per garantire un allineamento preciso con i sistemi di tubazioni. I materiali del prodotto comprendono acciaio al carbonio (A234 WPB, WPHY52, WPHY60, WPHY65), acciaio inossidabile (304, 304L, 316, 316L, 321) e acciaio legato (A234 WP11, WP22, WP12, WP5, WP9, WP91), soddisfacendo i requisiti di diverse temperature, pressioni e ambienti corrosivi dei fluidi.
Le opzioni di trattamento della superficie includono superficie nuda, verniciatura, olio antiruggine, rivestimento anti-corrosione e zincatura a caldo-per immersione, adatti per ambienti esterni, umidi o altamente corrosivi. ILASMEteeè confezionato in casse di legno o pallet di legno, con una capacità di fornitura di 1.000 tonnellate al mese, soddisfacendo i requisiti di consegna in lotti di progetti di ingegneria su media e grande-scala.



Specifiche del prodotto
Norma di esecuzione: ASME B16.9-2024
Dimensione nominale del tubo (NPS): 1/2"–48" (DN15–DN1200)
Tipo di connessione: Saldatura-di testa (bianco e nero)
Classe di spessore della parete (programma)
SCH10, SCH10S, SCH20, SCH30, SCHSTD, SCH40, SCH40S, SCH60, SCH80, SCH80S, SCHXS, SCH100, SCH120, SCH140, SCH160, XXS, GOST, DIN
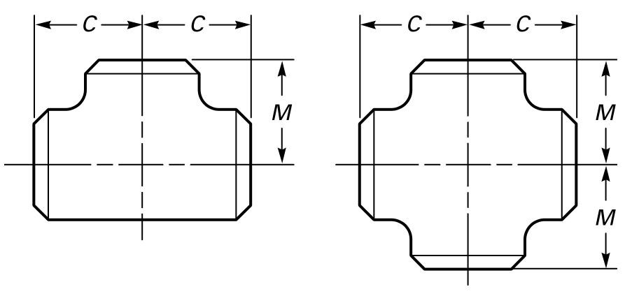
Dimensioni del prodotto
ASME B16.9-2024 TEE
Dimensioni dei T dritti e delle croci

|
Dimensione nominale del tubo (NPS) |
Diametro esterno allo smusso (mm) |
Da centro a fine (mm) |
|
|
Esegui C |
Uscita M |
||
|
1/2" |
21.3 |
25 |
25 |
|
3/4" |
26.7 |
29 |
29 |
|
1" |
33.4 |
38 |
38 |
|
1-1/4" |
42.2 |
48 |
48 |
|
1-1/2" |
48.3 |
57 |
57 |
|
2" |
60.3 |
64 |
64 |
|
2-1/2" |
73.0 |
76 |
76 |
|
3" |
88.9 |
86 |
86 |
|
3-1/2" |
101.6 |
95 |
95 |
|
4" |
114.3 |
105 |
105 |
|
5" |
141.3 |
124 |
124 |
|
6" |
168.3 |
143 |
143 |
|
8" |
219.1 |
178 |
178 |
|
10" |
273 |
216 |
216 |
|
12" |
323.8 |
254 |
254 |
|
14" |
355.6 |
279 |
279 |
|
16" |
406.4 |
305 |
305 |
|
18" |
457 |
343 |
343 |
|
20" |
508 |
381 |
381 |
|
22" |
559 |
419 |
419 |
|
24" |
610 |
432 |
432 |
|
26" |
660 |
495 |
495 |
|
28" |
711 |
521 |
521 |
|
30" |
762 |
559 |
559 |
|
32" |
813 |
597 |
5997 |
|
34" |
864 |
635 |
635 |
|
36" |
914 |
673 |
673 |
|
38" |
965 |
711 |
711 |
|
40" |
1016 |
749 |
749 |
|
42" |
1067 |
762 |
711 |
|
44" |
1118 |
813 |
762 |
|
46" |
1168 |
851 |
800 |
|
48" |
1219 |
889 |
838 |
Gradi dei materiali
Acciaio al carbonio
A234 WPB, WPHY52, WPHY60, WPHY65
Acciaio inossidabile
304, 304L, 316, 316L, 321
Acciaio legato
A234 WP11, WP22, WP12, WP5, WP9, WP91
Applicazioni
ILASMEteeè ampiamente utilizzato nei seguenti settori e apparecchiature chiave:
- Industria petrolchimica: Adatto per reattori, scambiatori di calore, torri, serbatoi di stoccaggio e sistemi di tubazioni di processo
- Industria energetica: utilizzato in caldaie, turbine a vapore, generatori e condotte per vapore ad alta-temperatura-alta pressione
- Ingegneria marina: Sistemi di tubazioni per navi, condotte di processo per piattaforme offshore
- Ingegneria Comunale: Reti di riscaldamento urbano, trasmissione del gas, approvvigionamento e drenaggio dell'acqua e sistemi di trattamento delle acque reflue
- Produzione di attrezzature meccaniche: Compressori, tubazioni ausiliarie della sala pompe, sistemi di collegamento di valvole
- Sistemi di protezione antincendio: Costruzione di reti di approvvigionamento idrico antincendio e condotte principali del sistema sprinkler
Etichetta sexy: maglietta asme, produttori di magliette asme in Cina, fornitori, fabbrica
